Bir Kat Bir Daireli Kapi Otomatigi Ve Zil Tesisati Acik Ve Kapali Semasi Konu Anlatimi Egitim Ve Teknoloji

Bir Kat Bir Daireli Kapi Otomatigi Ve Zil Tesisati Acik Ve Kapali Semasi Konu Anlatimi Egitim Ve Teknoloji

Elektrikbilim Kapi Otomatigi Tesisati

Elektrikbilim Kapi Otomatigi Tesisati

Bir Kat Bir Daireli Kapi Otomatigi Ve Zil Tesisati Uygulama Devresi Elektrik Elektronik Temrinler

Bir Kat Bir Daireli Kapi Otomatigi Ve Zil Tesisati Uygulama Devresi Elektrik Elektronik Temrinler

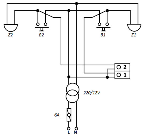
Elektronik Proje Ders Temrinleri Ve Uygulamalari Bir Kat Bir Daireli Kapi Otomatigi Ve Zil Tesisati Uygulama Devresi 10

Elektronik Proje Ders Temrinleri Ve Uygulamalari Bir Kat Bir Daireli Kapi Otomatigi Ve Zil Tesisati Uygulama Devresi 10

Elektrikbilim Bir Kat Bir Daireli Kapi Otomatigi Ve Zil Tesisati

Elektrikbilim Bir Kat Bir Daireli Kapi Otomatigi Ve Zil Tesisati

Iki Kat Dort Daireli Asagidan Cagirmali Zil Ve Kapi Otomatigi Tesisati Acik Ve Kapali Semasi Enes Hosafci

Iki Kat Dort Daireli Asagidan Cagirmali Zil Ve Kapi Otomatigi Tesisati Acik Ve Kapali Semasi Enes Hosafci

Iki Kat Dort Daireli Asagidan Cagirmali Zil Ve Kapi Otomatigi Tesisati Acik Ve Kapali Semasi Enes Hosafci

Bir Kat Bir Daireli Apartman Kapi Otomatigi Ve Zil Tesisati Elektrik Elektronik Temrinler

Bir Kat Bir Daireli Apartman Kapi Otomatigi Ve Zil Tesisati Elektrik Elektronik Temrinler

1 Kat 2 Daire Zil Ve Kapi Otomatigi Tesisati Elektrik Acilll Eodev Com

1 Kat 2 Daire Zil Ve Kapi Otomatigi Tesisati Elektrik Acilll Eodev Com

Temrin Z3 Iki Kat Iki Daireli Asagidan Cagirmali Zil Ve Kapi Otomatigi Tesisati

Temrin Z3 Iki Kat Iki Daireli Asagidan Cagirmali Zil Ve Kapi Otomatigi Tesisati

Bir Kat Bir Daireli Kapi Otomatigi Ve Zil Tesisati Ni Indirmek Icin Tikla

Bir Kat Bir Daireli Kapi Otomatigi Ve Zil Tesisati Ni Indirmek Icin Tikla

Bir Kat Bir Daireli Kapi Otomatigi Ve Gelecegin Elektrikcisi Atelye Calismalari Facebook

Bir Kat Bir Daireli Kapi Otomatigi Ve Gelecegin Elektrikcisi Atelye Calismalari Facebook

Zil Tesisati Murat Muhendislik

Zil Tesisati Murat Muhendislik

Uc Kat Uc Daireli Apartman Zil Tesisati Elektrik Elektronik Temrinler

Uc Kat Uc Daireli Apartman Zil Tesisati Elektrik Elektronik Temrinler

Abiler Yardim

Abiler Yardim

Elektrikbilim Iki Kat Iki Daireli Apartman Zil Tesisati

Elektrikbilim Iki Kat Iki Daireli Apartman Zil Tesisati

Kapi Otamati Ve Zil Tesisati Devresi Youtube

Kapi Otamati Ve Zil Tesisati Devresi Youtube

Bize Gelen Istekler Dogrultusunda Hazirladigimiz 4 Katli 4 Daireli Bir Apartmanin Kapi Otomatigi Zil Tesisati Asagidan Cagirmali Komple Acik Kapilar Autocad

Bize Gelen Istekler Dogrultusunda Hazirladigimiz 4 Katli 4 Daireli Bir Apartmanin Kapi Otomatigi Zil Tesisati Asagidan Cagirmali Komple Acik Kapilar Autocad

Kapi Otomatigi Arizalari Nasil Tamir Edilir Elektriksa Com

Kapi Otomatigi Arizalari Nasil Tamir Edilir Elektriksa Com

Bir Kat Bir Daireli Apartman Kapi Otomatigi Ve Zil Tesisati Acik Sema Elektrik Elektronik Temrinler

Bir Kat Bir Daireli Apartman Kapi Otomatigi Ve Zil Tesisati Acik Sema Elektrik Elektronik Temrinler

Zil Tesisati Murat Muhendislik

Zil Tesisati Murat Muhendislik

Bir Kat Bir Daireli Kapi Otomatigi Ve Zil Tesisati Uygulama Devresi Youtube

Bir Kat Bir Daireli Kapi Otomatigi Ve Zil Tesisati Uygulama Devresi Youtube

Binadaki Zil Ve Bina Kapi Otomatigi Tesisati Kontrol Kalemi Forumlari

Binadaki Zil Ve Bina Kapi Otomatigi Tesisati Kontrol Kalemi Forumlari

Zil Tesisati Diyot Net Nedir

Zil Tesisati Diyot Net Nedir

Kapi Otomatigi Uzaktan Kumanda Sistemi Universal Cihazlar

Kapi Otomatigi Uzaktan Kumanda Sistemi Universal Cihazlar

Temrin Z2 Bir Kat Iki Daireli Asagidan Cagirmali Zil Tesisati

Temrin Z2 Bir Kat Iki Daireli Asagidan Cagirmali Zil Tesisati

Https Www Ktemb Org Download Forms Tr Zayif 20akim 20tesisati 20ariza 20tespiti 20bakim 20onarimi 2017 20mart Pdf

Https Www Ktemb Org Download Forms Tr Zayif 20akim 20tesisati 20ariza 20tespiti 20bakim 20onarimi 2017 20mart Pdf

Kapi Otomatigi Nasil Baglanir Kapi Otomatigi Tesisati Nasil Cekilir Youtube

Kapi Otomatigi Nasil Baglanir Kapi Otomatigi Tesisati Nasil Cekilir Youtube

Zayif Akim Tesisati Ariza Tespiti Ve Onarimi By Egit Yunus Bilgin Issuu

Zayif Akim Tesisati Ariza Tespiti Ve Onarimi By Egit Yunus Bilgin Issuu

Https Hbogm Meb Gov Tr Mtao 1meslekresmi Unite2 Pdf

Https Hbogm Meb Gov Tr Mtao 1meslekresmi Unite2 Pdf

10m Elektrik Elektronik Sinifi

10m Elektrik Elektronik Sinifi

Source : pinterest.com